返回中心首页 > 产品中心 > 真空断路器
真空断路器ZW32-12JL 系列户外高压真空预付费断路器
  • 产品概述
  • 适用范围
  • 型号规格
  • 技术指标
为适应现代化用电管理工作的需要,利用科技手段解决用户欠费难题、降低线损。我公司研制了一套新型10KV高压预付费计量装置。这套装置适用于各个变压器容量等级之间的高压计量用户,采用该装置可以实现各种继电保护,而且具有计量准确度高、运行稳定、造价低廉的特点。
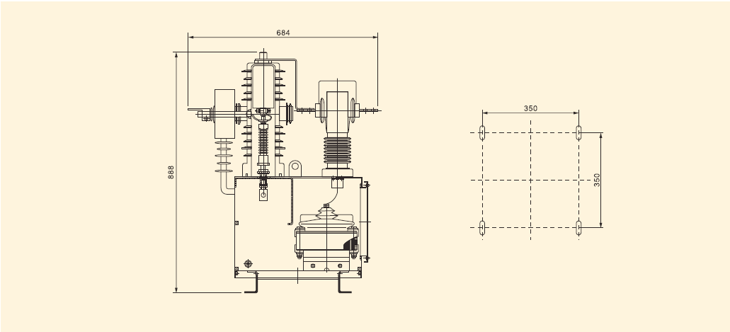
ZW32-12JL户外柱上预付费一体式断路器为额定电压12Kv,三相交流50Hz的户外配电设备,主要用于开断、关合高压计量用户的负荷电流,过载电流和短路电流,同时具有计量和预付费功能。适用于城市和农村终端用户作保护和控制之用。

1.周围空气温度:上限+40℃,下限-40℃,24小时平均气温差值不超过,35℃;
2.大气的相对湿度在周围空气温度为+40℃的时不超过50%,在较低的温度下可以有较高的湿度;最湿月的平均最低温度为+25℃时,平均最大相对湿度为90%;
3.污染等级为三级;
4.海拔高度不超过1000mm;
5.运行地点无强烈震动和冲击,无腐蚀金属和破坏绝缘的有害气体,无严重尘埃,无导电微粒和爆炸危险物质。
明博体育app官网入口
明博体育app官网入口
qq
微信
微博
客服电话
86-577-61762777